Bọc dầu xi lanh dạng ống
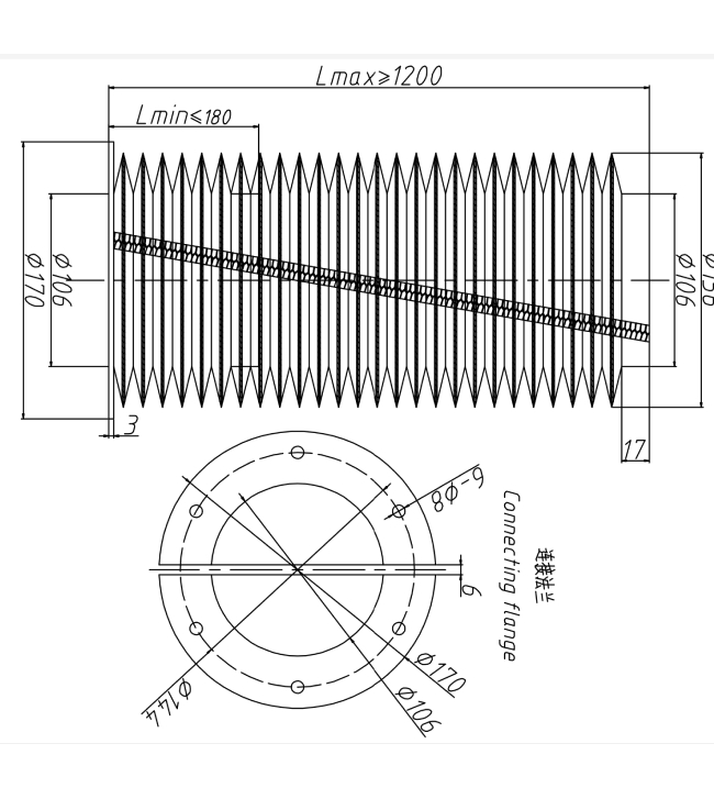
✅ Bọc dầu xi lanh dạng ống sản xuất theo bản vẽ là giải pháp bảo vệ xi lanh thủy lực và khí nén khỏi bụi bẩn, dầu mỡ và tác động từ môi trường.
✅ Sản phẩm được gia công theo đúng kích thước và thông số kỹ thuật từ bản vẽ của khách hàng.
✅ Vật liệu chế tạo đa dạng như thép, inox hoặc vật liệu chuyên dụng, phù hợp với điều kiện làm việc khác nhau.
✅ Thiết kế dạng ống giúp bảo vệ tối đa thân xi lanh, tăng tuổi thọ thiết bị và giảm chi phí bảo trì.


✅ Ứng dụng rộng rãi trong máy móc công nghiệp, dây chuyền sản xuất, thiết bị thủy lực và hệ thống tự động hóa.
Hotline: 07879.00099
